W obliczu rosnącej nieprzewidywalności dostaw prądu, coraz więcej właścicieli domów zastanawia się nad zakupem agregatu prądotwórczego. Ten kompleksowy poradnik ma na celu rozwiać wszelkie wątpliwości, prowadząc Cię krok po kroku przez proces wyboru idealnego urządzenia i jego bezpiecznego podłączenia do domowej instalacji elektrycznej. Dowiesz się, jak zapewnić sobie i swojej rodzinie niezależność energetyczną, unikając przy tym kosztownych błędów.
Wybór i bezpieczne podłączenie agregatu do domu klucz do niezależności energetycznej
- Dobór mocy agregatu wymaga zsumowania mocy urządzeń i uwzględnienia prądu rozruchowego; dla podstawowych potrzeb wystarczy 3-5 kW, dla całego domu 8 kW lub więcej.
- Decyzja o agregacie jedno- lub trójfazowym zależy od posiadanych urządzeń (np. płyta indukcyjna, pompa ciepła wymagają trzech faz).
- Technologie AVR i inwerterowa zapewniają stabilne i czyste napięcie, niezbędne dla nowoczesnej elektroniki.
- Podłączenie agregatu do instalacji domowej jest obowiązkowe przez elektryka z uprawnieniami SEP, z użyciem przełącznika sieć-agregat (ręcznego lub automatycznego SZR/ATS).
- Bezpieczeństwo wymaga odpowiedniej wentylacji, odprowadzenia spalin i uziemienia agregatu.
Agregat prądotwórczy w domu: dlaczego warto go mieć?
Coraz częstsze awarie sieci: jak zabezpieczyć swoją rodzinę i dom?
Jako Łukasz Wójcik, widzę, że coraz częściej mierzymy się z nieprzewidzianymi przerwami w dostawie prądu. Nawałnice, wichury, a nawet przeciążenia sieci to wszystko sprawia, że stabilność energetyczna, którą kiedyś braliśmy za pewnik, staje się luksusem. Posiadanie agregatu prądotwórczego to dziś nie tyle fanaberia, co rozsądna inwestycja w bezpieczeństwo i komfort domowników. Kiedy za oknem szaleje burza, a w domu panuje ciemność, świadomość, że w każdej chwili możesz przywrócić zasilanie, jest bezcenna.
Niezależność energetyczna w praktyce: co zyskujesz dzięki własnemu źródłu prądu?
- Ciągłe działanie ogrzewania: Bez prądu piec CO nie działa, co w chłodniejsze dni może być bardzo problematyczne. Agregat zapewnia ciepło w Twoim domu.
- Świeżość żywności: Lodówka i zamrażarka pracują bez przerwy, chroniąc Twoje zapasy przed zepsuciem.
- Oświetlenie: Koniec z szukaniem świeczek i latarek. Pełne oświetlenie domu to podstawa komfortu i bezpieczeństwa.
- Działająca elektronika: Telewizor, komputer, router internetowy wszystkie urządzenia, które zapewniają rozrywkę i kontakt ze światem, mogą działać normalnie.
- Spokój i niezależność: Poczucie kontroli nad sytuacją, nawet w obliczu awarii, jest nieocenione. Nie jesteś uzależniony od kaprysów sieci energetycznej.
Jak dobrać moc agregatu do potrzeb twojego domu?
Audyt energetyczny dla początkujących: spis urządzeń, które muszą działać
Zanim zaczniesz przeglądać oferty, musisz wiedzieć, czego tak naprawdę potrzebujesz. Moja rada jest prosta: sporządź listę wszystkich urządzeń, które absolutnie muszą działać podczas awarii prądu. Pomyśl o piecu CO, lodówce, oświetleniu w kluczowych pomieszczeniach, pompie wody (jeśli masz własne ujęcie), a także o podstawowej elektronice, takiej jak telewizor czy router. To Twój punkt wyjścia do dalszych obliczeń.
Moc znamionowa a moc rozruchowa: pułapka, w którą wpada wielu kupujących
To jeden z najczęstszych błędów, jakie widzę. Wiele osób patrzy tylko na moc znamionową agregatu, zapominając o mocy rozruchowej. Urządzenia z silnikami elektrycznymi, takie jak lodówki, zamrażarki, pompy czy kompresory, w momencie startu pobierają znacznie więcej prądu niż podczas normalnej pracy często 2-3 razy więcej niż ich moc znamionowa! Jeśli agregat nie będzie miał wystarczającego zapasu mocy na ten "szczytowy" moment, po prostu nie uruchomi tych urządzeń lub będzie się wyłączał. Na przykład, lodówka o mocy znamionowej 150W może potrzebować nawet 450W do rozruchu.
Praktyczne obliczenia: ile kilowatów (kW) naprawdę potrzebujesz?
Obliczenie potrzebnej mocy nie jest tak skomplikowane, jak mogłoby się wydawać. Oto jak to zrobić:
- Zsumuj moce znamionowe wszystkich urządzeń z Twojej listy.
- Dla urządzeń z silnikami (lodówka, pompa, itp.), pomnóż ich moc znamionową przez współczynnik 2-3, aby uwzględnić moc rozruchową.
- Dodaj do siebie wszystkie te wartości.
- Na koniec, dodaj zapas mocy w wysokości 20-30%. To zapewni stabilną pracę agregatu i pozwoli na podłączenie dodatkowych, mniej istotnych urządzeń.
Przykład: Jeśli Twój piec CO ma 100W, lodówka 150W (rozruch 300W), oświetlenie 200W, a telewizor 100W, to suma mocy znamionowych to 550W. Z uwzględnieniem rozruchu lodówki, potrzebujesz około 700W. Dodając zapas 20%, otrzymujemy około 840W. W takim przypadku agregat o mocy 3-5 kW będzie wystarczający do zasilenia podstawowych obwodów domowych. Jeżeli jednak planujesz zasilać cały dom, włączając w to urządzenia trójfazowe, musisz celować w agregaty o mocy 8 kW lub więcej.
Agregat jednofazowy czy trójfazowy: co wybrać?
Kiedy agregat jednofazowy jest najlepszym wyborem?
Agregat jednofazowy, czyli taki, który dostarcza napięcie 230V, jest idealnym rozwiązaniem dla większości domów jednorodzinnych, gdzie nie ma urządzeń wymagających zasilania "siłowego". Jeśli Twoja instalacja domowa opiera się głównie na gniazdkach 230V i nie posiadasz sprzętów takich jak płyta indukcyjna czy pompa ciepła zasilana trójfazowo, to agregat jednofazowy będzie dla Ciebie wystarczający i często bardziej efektywny. Zazwyczaj są też tańsze i prostsze w obsłudze.
Masz płytę indukcyjną lub pompę ciepła? Oto dlaczego potrzebujesz agregatu trójfazowego
Jeśli w Twoim domu znajdują się urządzenia wymagające zasilania trójfazowego (400V), takie jak wspomniana płyta indukcyjna, pompa ciepła, niektóre narzędzia warsztatowe czy silniki o dużej mocy, konieczny będzie agregat trójfazowy. Agregat jednofazowy po prostu nie będzie w stanie ich zasilić. Pamiętaj, że agregat trójfazowy może również zasilać urządzenia jednofazowe, ale jego moc jest rozłożona na trzy fazy, co wymaga odpowiedniego planowania obciążenia.
Zasada równego obciążenia: jak nie uszkodzić agregatu trójfazowego?
W przypadku agregatów trójfazowych, kluczowe jest równomierne obciążenie poszczególnych faz. Jeśli jedna faza będzie znacznie bardziej obciążona niż pozostałe, może to prowadzić do przegrzewania się agregatu, niestabilnej pracy, a w konsekwencji do jego uszkodzenia. Zawsze staraj się rozłożyć urządzenia tak, aby pobór mocy z każdej fazy był zbliżony. Dobry elektryk pomoże Ci to zaplanować podczas instalacji przełącznika sieć-agregat.
AVR i inwerter: technologie dla bezpieczeństwa twojej elektroniki
Czym jest stabilizacja napięcia (AVR) i dlaczego jest absolutnie niezbędna?
Technologia AVR (Automatic Voltage Regulation) to system automatycznej stabilizacji napięcia. Jest to absolutnie kluczowa funkcja, jeśli planujesz zasilać agregatem nowoczesną i wrażliwą elektronikę, taką jak komputery, telewizory, sprzęt audio-video, a przede wszystkim sterowniki pieców CO czy innych zaawansowanych urządzeń domowych. Bez AVR napięcie z agregatu może być niestabilne, co grozi uszkodzeniem lub skróceniem żywotności Twoich sprzętów. Dziś AVR to praktycznie standard i nie wyobrażam sobie zakupu agregatu bez tej funkcji.
Agregat inwerterowy: czy warto dopłacić za idealnie czysty prąd?
Agregaty inwerterowe to wyższa półka technologiczna. Wytwarzają one prąd o idealnie czystej sinusoidzie, co jest kluczowe dla najbardziej wrażliwych urządzeń elektronicznych, takich jak laptopy, smartfony czy precyzyjne narzędzia pomiarowe. Dodatkowo, są zazwyczaj cichsze i bardziej ekonomiczne w eksploatacji, ponieważ dostosowują obroty silnika do aktualnego zapotrzebowania na moc. Ich główną wadą jest wyższa cena. Jeśli jednak zależy Ci na najwyższej jakości prądu i minimalnym hałasie, a budżet na to pozwala, agregat inwerterowy to inwestycja, którą z pewnością polecam.
Bezpieczne podłączenie agregatu do instalacji domowej: przepisy i zasady
Dlaczego samodzielne podłączenie "na krótko" jest nielegalne i śmiertelnie niebezpieczne?
Chcę to podkreślić z całą mocą: nigdy, przenigdy nie podłączaj agregatu "na krótko" do domowej instalacji elektrycznej bez odpowiednich zabezpieczeń! To działanie nie tylko nielegalne, ale przede wszystkim śmiertelnie niebezpieczne. Ryzykujesz porażeniem prądem siebie i domowników, uszkodzeniem agregatu, a co najgorsze śmiertelnym zagrożeniem dla pracowników sieci energetycznej, którzy naprawiają awarię. Prąd z Twojego agregatu może popłynąć do sieci publicznej, zasilając ją w niekontrolowany sposób.
Rola elektryka z uprawnieniami SEP: kto może legalnie wpiąć agregat do sieci?
W Polsce, zgodnie z przepisami, podłączenie agregatu prądotwórczego na stałe do instalacji domowej musi zostać wykonane przez elektryka posiadającego odpowiednie uprawnienia SEP (Stowarzyszenia Elektryków Polskich). To nie jest kwestia wyboru, ale obowiązek. Tylko wykwalifikowany specjalista może zagwarantować, że instalacja będzie bezpieczna, zgodna z normami i przepisami, a co najważniejsze nie będzie stanowiła zagrożenia dla życia i zdrowia.
Przegląd techniczny i dokumentacja: o czym musisz pamiętać?
Po instalacji, warto zadbać o odpowiednią dokumentację techniczną. Elektryk powinien wystawić protokół z wykonanych prac. W niektórych przypadkach, zwłaszcza przy bardziej złożonych instalacjach z automatyką, może być wymagany również przegląd techniczny. Pamiętaj, że prawidłowa dokumentacja jest ważna nie tylko dla Twojego spokoju, ale także w przypadku ewentualnych roszczeń ubezpieczeniowych.
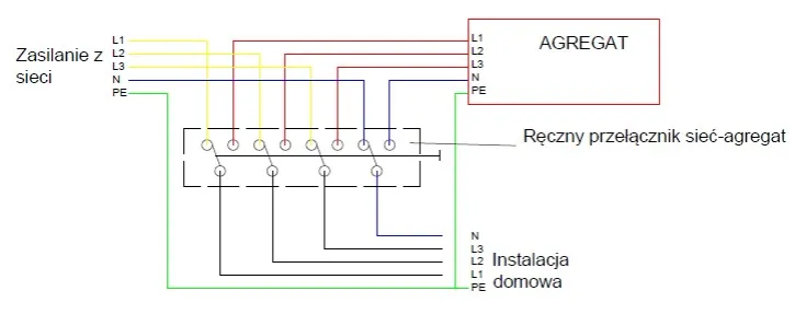
Przełącznik sieć-agregat: kluczowy element bezpiecznego zasilania
Jak działa przełącznik ręczny i dla kogo będzie wystarczający?
Przełącznik ręczny sieć-agregat to podstawowe i najczęściej stosowane rozwiązanie. Działa na prostej zasadzie: ma trzy pozycje "sieć", "zero" i "agregat". Aby przełączyć zasilanie, musisz ręcznie przestawić dźwignię. Najpierw odłączasz dom od sieci (pozycja "zero"), a następnie podłączasz do agregatu (pozycja "agregat"). Jest to wystarczające rozwiązanie dla osób, które są w domu podczas awarii i mogą samodzielnie dokonać przełączenia. Jego zaletą są niższe koszty zakupu i montażu.
Pełna automatyka SZR (ATS): jak zapewnić zasilanie nawet pod Twoją nieobecność?
Jeśli zależy Ci na maksymalnym komforcie i ciągłości zasilania, nawet gdy nie ma Cię w domu, rozważ instalację automatycznego przełącznika SZR (Samoczynne Załączenie Rezerwy), często nazywanego także ATS (Automatic Transfer Switch). Ten system automatycznie wykrywa zanik napięcia w sieci, uruchamia agregat, a po jego rozgrzaniu przełącza zasilanie na agregat. Kiedy prąd z sieci wraca, SZR automatycznie przełącza zasilanie z powrotem na sieć i wyłącza agregat. To rozwiązanie jest znacznie droższe, ale oferuje pełną niezależność i spokój ducha.
Gdzie zamontować przełącznik i jak wygląda instalacja w rozdzielnicy?
Zarówno ręczny, jak i automatyczny przełącznik sieć-agregat jest zazwyczaj montowany w głównej rozdzielnicy domowej lub w jej bezpośrednim sąsiedztwie. Elektryk włącza go w obwód zasilający cały dom lub wybrane obwody, które mają być zasilane awaryjnie. Instalacja wymaga odpowiedniego okablowania i zabezpieczeń, dlatego tak ważne jest, aby wykonał ją specjalista z uprawnieniami.

Instalacja agregatu: praktyczny przewodnik dla właściciela domu
Wybór idealnego miejsca na agregat: wentylacja i odprowadzanie spalin
- Na zewnątrz budynku: To najlepsze rozwiązanie. Agregat powinien stać na stabilnym, równym podłożu, z dala od okien i drzwi, aby spaliny nie dostawały się do wnętrza domu.
- Dobrze wentylowane pomieszczenie: Jeśli musisz umieścić agregat w pomieszczeniu (np. w garażu lub specjalnej komórce), musi ono być doskonale wentylowane. Konieczne jest zapewnienie efektywnego systemu odprowadzania spalin na zewnątrz. Pamiętaj, że spaliny zawierają tlenek węgla, który jest bezwonny, bezbarwny i śmiertelnie niebezpieczny.
- Ochrona przed warunkami atmosferycznymi: Agregat, zwłaszcza ten stojący na zewnątrz, powinien być chroniony przed deszczem, śniegiem i bezpośrednim słońcem. Można zastosować specjalną obudowę lub zadaszenie.
- Dostęp do paliwa: Pomyśl o łatwym dostępie do paliwa i możliwości jego bezpiecznego przechowywania.
Uziemienie agregatu: fundamentalny element ochrony przeciwporażeniowej
Niezależnie od tego, czy agregat jest podłączony na stałe, czy używany jako urządzenie przenośne, prawidłowe uziemienie jest absolutnie fundamentalne. Uziemienie chroni przed porażeniem prądem w przypadku uszkodzenia izolacji lub innych awarii. W przypadku stałej instalacji, uziemienie agregatu jest integralną częścią całej instalacji elektrycznej domu i wykonuje je elektryk. Jeśli używasz agregatu przenośnego, upewnij się, że jest on prawidłowo uziemiony zgodnie z instrukcją producenta.
Poprowadzenie instalacji: jakie kable i zabezpieczenia są potrzebne?
Poprowadzenie odpowiednich kabli i zastosowanie właściwych zabezpieczeń to zadanie dla elektryka. Wybierze on przekroje kabli dostosowane do mocy agregatu i długości trasy, a także zamontuje niezbędne wyłączniki nadprądowe i różnicowoprądowe. Nie próbuj oszczędzać na jakości materiałów to inwestycja w Twoje bezpieczeństwo.
Unikaj tych błędów: najczęstsze pomyłki przy agregacie
Błąd #1: kupowanie agregatu "na styk" bez zapasu mocy
Jak już wspomniałem, niedoszacowanie mocy to prosta droga do frustracji. Agregat pracujący na granicy swoich możliwości jest mniej wydajny, szybciej się zużywa i może nie być w stanie uruchomić wszystkich potrzebnych urządzeń. Zawsze zostaw sobie zapas mocy to zapewni stabilną pracę i dłuższą żywotność urządzenia.
Błąd #2: ignorowanie jakości prądu i ryzykowanie uszkodzenia elektroniki
Kupowanie najtańszego agregatu bez AVR to proszenie się o kłopoty. Współczesne urządzenia elektroniczne są bardzo wrażliwe na wahania napięcia. Oszczędność na agregacie bez stabilizacji może skończyć się drogą naprawą lub wymianą sprzętu RTV, AGD czy sterowników pieca. Pamiętaj, że koszt naprawy uszkodzonej elektroniki może wielokrotnie przewyższyć różnicę w cenie między agregatem z AVR a tym bez.
Błąd #3: oszczędzanie na profesjonalnym montażu i przełączniku zasilania
To błąd, który może kosztować najwięcej nawet życie. Samodzielne, nieprofesjonalne podłączenie agregatu jest nie tylko nielegalne, ale przede wszystkim śmiertelnie niebezpieczne. Inwestycja w elektryka z uprawnieniami SEP i odpowiedni przełącznik sieć-agregat to fundamentalny wydatek, na którym absolutnie nie wolno oszczędzać. Bezpieczeństwo Twoje i Twojej rodziny jest bezcenne.
Przeczytaj również: Jak podłączyć wąż odpływowy pralki? Uniknij zalania i awarii!
Twoja checklista do niezawodnego zasilania awaryjnego
- Sporządź listę niezbędnych urządzeń: Określ, co musi działać podczas awarii.
- Oblicz potrzebną moc: Uwzględnij moc znamionową, rozruchową i zapas mocy (20-30%).
- Zdecyduj o typie agregatu: Jednofazowy (230V) czy trójfazowy (400V), w zależności od Twoich urządzeń.
- Wybierz technologię: Agregat z AVR to podstawa, inwerterowy dla najbardziej wrażliwej elektroniki.
- Znajdź odpowiednie miejsce: Zapewnij wentylację, odprowadzanie spalin i ochronę przed warunkami atmosferycznymi.
- Skontaktuj się z elektrykiem SEP: Zleć profesjonalne podłączenie agregatu do instalacji domowej.
- Wybierz przełącznik: Ręczny (tańszy) lub automatyczny SZR/ATS (wygodniejszy).
- Zadbaj o uziemienie: Kluczowy element ochrony przeciwporażeniowej.
- Przygotuj paliwo: Zapewnij bezpieczne przechowywanie odpowiedniego rodzaju paliwa.
- Pamiętaj o konserwacji: Regularne przeglądy i wymiana materiałów eksploatacyjnych zapewnią długą i bezawaryjną pracę agregatu.
