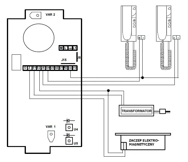
Domofon Orno OR-AD-5002: Montaż, schematy, naprawa zrób to sam!
Gustaw Mazurek - Strona 4
Autor Jakub Kalinowski - najnowsze wpisy
Jak podłączyć wzmacniacz do TV LG? Pełny poradnik krok po kroku.
Podłącz unifon Cyfral 6-żyłowy: Schemat i poradnik krok po kroku
Autor Łukasz Wójcik - najnowsze wpisy
Jak włączyć Wi-Fi w HP? Od klawiszy po BIOS pełny poradnik
HTML i CSS: Wybierz najlepszy kurs i zostań Front-end Juniorem
Farming Simulator 25: Czy Twój PC jest gotowy na nowe żniwa?
Tworzenie podstron HTML: Praktyczny poradnik krok po kroku
Publikacje autora
Jak włączyć latarkę w telefonie? Szybkie triki i ukryte gesty
Jak włączyć latarkę w telefonie? Poznaj szybkie metody na Androidzie i iOS, gesty, komendy głosowe i rozwiązania problemów. Sprawdź nasz poradnik!
Pobieranie plików: Instrukcja PL Bezpiecznie, legalnie, bez wirusów
Instrukcja PL: Pobieranie plików z internetu krok po kroku. Naucz się bezpiecznych i legalnych metod, unikaj wirusów i problemów. Sprawdź nasz poradnik!
Jak włączyć iPhone 11? Od pierwszego startu po awaryjne uruchomienie
Jak włączyć iPhone 11? Sprawdź prosty poradnik i co zrobić, gdy telefon nie reaguje. Znajdź rozwiązania problemów, twardy reset i pomoc!
Wyśrodkowanie w CSS: Koniec z frustracją! Tekst i bloki idealnie
Naucz się wyśrodkowania w CSS bez frustracji! Poznaj kluczowe metody centrowania tekstu i bloków (Flexbox, Grid). Zobacz gotowe przykłady kodu.
Bon na laptop dla nauczyciela: Jak wybrać sprzęt zgodny z wymogami?
Jak wybrać laptop dla nauczyciela z bonem 2500 zł? Sprawdź kluczowe wymagania techniczne: procesor, RAM, SSD, ekran, gwarancja. Uniknij błędów!
Samsung: Jak włączyć opcje programisty? Przyspiesz swój telefon!
Aktywuj ukryte Opcje Programisty w Samsungu krok po kroku! Przyspiesz telefon, zoptymalizuj baterię i odkryj zaawansowane funkcje. Sprawdź nasz przewodnik.
Ile kosztuje domofon? Kompleksowy poradnik cen i montażu
Ile kosztuje domofon? Poznaj pełną wycenę instalacji: analogowy, wideo, IP. Sprawdź koszty urządzenia, montażu i uniknij ukrytych opłat!
Jak połączyć CSS z HTML? 3 metody, błędy i dobre praktyki
Jak połączyć CSS z HTML? Odkryj 3 metody (external, internal, inline), ich wady i zalety. Naucz się unikać błędów i twórz profesjonalne strony!
Jak wejść do BIOS/UEFI w Windows 10? Rozwiąż problem Fast Startup
Jak wejść do BIOS/UEFI w Windows 10? Poznaj uniwersalne metody, klawisze producentów i rozwiąż problem z Fast Startup. Sprawdź nasz poradnik krok po kroku!
Stwórz stronę WWW w Notatniku: HTML dla każdego, krok po kroku
Stwórz swoją pierwszą stronę WWW w Notatniku! Poznaj podstawy HTML i CSS krok po kroku, unikaj błędów. Prosty poradnik dla każdego. Zacznij kodować!