Wymiana lub podłączenie unifonu domofonowego w bloku może wydawać się skomplikowanym zadaniem, ale z odpowiednią wiedzą i narzędziami jest to coś, co z powodzeniem możesz wykonać samodzielnie. Ten praktyczny poradnik krok po kroku przeprowadzi Cię przez proces instalacji unifonu dwuprzewodowego, pomagając zrozumieć jego działanie i uniknąć typowych błędów.
Samodzielne podłączenie unifonu dwuprzewodowego kluczowe kroki do sukcesu w bloku
- Zawsze rozróżnij system cyfrowy od analogowego, ponieważ unifony nie są zamienne.
- Zidentyfikuj przewody L+ i L- (lub równoważne) i ich polaryzację, która jest kluczowa dla działania (napięcie stałe 8-15V).
- W systemach cyfrowych adres mieszkania ustawia się za pomocą zworek (jumperów) na płytce unifonu, kodując go binarnie.
- Wybierz nowy unifon kompatybilny z istniejącą centralą w bloku (np. Cyfral, Laskomex, Urmet, Proel).
- Najczęstsze problemy to błędnie ustawiony adres (zworki) lub zamienione przewody L+ i L-.
Rozpoznaj swój domofon dwuprzewodowy i zrozum jego działanie
Cyfrowy czy analogowy? Dlaczego to kluczowe pytanie przed startem
Zanim zabierzesz się za wymianę unifonu, musisz zrozumieć, z jakim systemem masz do czynienia. W blokach mieszkalnych dominują dwa typy systemów dwuprzewodowych: cyfrowe i analogowe. To rozróżnienie jest absolutnie kluczowe, ponieważ unifony przeznaczone do tych systemów nie są ze sobą zamienne. Podłączenie niewłaściwego typu unifonu po prostu nie zadziała.
Systemy cyfrowe, takie jak te produkowane przez Cyfral, Laskomex czy Proel, są obecnie najczęściej spotykane w nowszych budynkach oraz tych po modernizacji. Charakteryzują się tym, że adres mieszkania jest programowany bezpośrednio w unifonie za pomocą zworek (jumperów) na płytce elektronicznej. Z kolei systemy analogowe, choć rzadsze w nowych instalacjach, nadal występują. Działają na innej zasadzie i zazwyczaj nie wymagają skomplikowanej konfiguracji adresu, a ich podłączenie opiera się na prostym połączeniu przewodów sygnałowych i zasilających.
Oznaczenia, które musisz znać: Co mówią symbole L+, L- na unifonie?
W instalacji dwuprzewodowej cyfrowej standardem są dwa przewody. Producenci najczęściej oznaczają zaciski na unifonie jako L+ i L-, ale możesz spotkać się również z symbolami takimi jak LU i -, czy LINE+ i LINE-. Niezależnie od konkretnego oznaczenia, kluczowe jest prawidłowe podłączenie, czyli zachowanie polaryzacji. Oznacza to, że przewód "plusowy" z instalacji musi być podłączony do zacisku oznaczonego jako "plus" w unifonie, a przewód "minusowy" do "minusa". W instalacji domofonowej zazwyczaj mamy do czynienia z napięciem stałym w zakresie około 8-15V. Błędna polaryzacja sprawi, że unifon nie będzie działał, choć w większości przypadków nie uszkodzi go trwale.
Sprawdź, z czym masz do czynienia: Jak zidentyfikować markę systemu w Twoim bloku?
Zanim kupisz nowy unifon, musisz upewnić się, że będzie on kompatybilny z centralą domofonową zainstalowaną w Twoim budynku. W Polsce najczęściej spotykane marki systemów dwuprzewodowych to:
- Cyfral
- Laskomex
- Urmet
- Proel
Zazwyczaj informację o producencie znajdziesz na starym unifonie lub na centrali domofonowej przy wejściu do budynku. Wybór unifonu tej samej marki lub uniwersalnego modelu kompatybilnego z danym systemem to gwarancja sukcesu. Na przykład, jeśli masz centralę Cyfral, powinieneś wybrać unifon Cyfral lub uniwersalny, który posiada tryb pracy zgodny z Cyfralem.
Przygotowanie do pracy: Co musisz mieć, zanim zaczniesz wymianę?
Narzędzia, które ułatwią Ci pracę: Wkrętak, ściągacz izolacji i miernik
Przed przystąpieniem do pracy warto przygotować sobie kilka podstawowych narzędzi, które znacznie ułatwią Ci zadanie:
- Wkrętak (krzyżakowy i/lub płaski, w zależności od śrub w unifonie)
- Ściągacz izolacji (lub ostry nożyk do tapet)
- Miernik napięcia (multimetr) niezwykle przydatny do identyfikacji przewodów i sprawdzenia napięcia.
Bezpieczeństwo przede wszystkim: Jak upewnić się, że nie uszkodzisz instalacji?
W przypadku systemów dwuprzewodowych cyfrowych, zamiana przewodów L+ i L- zazwyczaj nie uszkadza trwale unifonu, ale po prostu uniemożliwia jego działanie. Mimo to, prawidłowe podłączenie jest kluczowe dla poprawnego funkcjonowania całego systemu. Zawsze staraj się postępować zgodnie z instrukcją i zachować ostrożność, aby uniknąć problemów.
Dokumentacja starego połączenia: Zrób zdjęcie, a oszczędzisz sobie nerwów
Zanim odłączysz stary unifon, zrób zdjęcie jego podłączenia. To prosta czynność, która może zaoszczędzić Ci mnóstwo nerwów. Kolory przewodów w ścianie bywają niestandaryzowane i nie zawsze odpowiadają logice, więc fotografia będzie niezastąpionym punktem odniesienia, gdy będziesz podłączać nowy aparat.

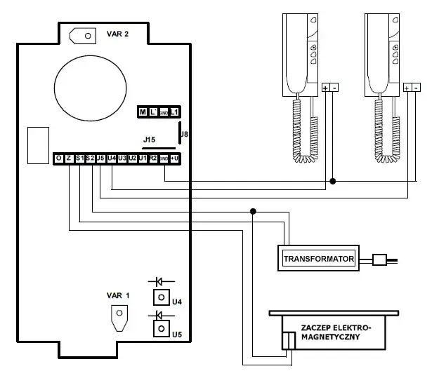
Podłączanie unifonu: Szczegółowy przewodnik krok po kroku
- Demontaż starego aparatu: Ostrożnie zdejmij obudowę starego unifonu. Zwróć uwagę na to, jak przewody są podłączone do zacisków. Zrób zdjęcie! Następnie, za pomocą wkrętaka, odkręć śruby mocujące przewody i bezpiecznie je odłącz. Pamiętaj, aby nie dopuścić do zwarcia żył.
- Identyfikacja żył: Jeśli nie masz zdjęcia starego podłączenia lub przewody są niestandardowe, użyj miernika napięcia. Ustaw miernik na pomiar napięcia stałego (DC) w zakresie np. 20V. Przyłóż sondy miernika do żył wychodzących ze ściany. Szukaj napięcia w zakresie 8-15V. Prawidłowo zidentyfikowane przewody L+ i L- pokażą stabilne napięcie. Sonda podłączona do L+ wskaże wartość dodatnią, a do L- ujemną (lub odwrotnie, jeśli zmienisz polaryzację sond).
- Podłączanie przewodów do nowego unifonu: Po zidentyfikowaniu przewodów L+ i L- (lub ich odpowiedników), podłącz je do odpowiednich zacisków w nowym unifonie. Ponownie podkreślam: polaryzacja jest kluczowa! Przewód, który zidentyfikowałeś jako L+, podłącz do zacisku L+ w unifonie, a przewód L- do zacisku L-. Upewnij się, że przewody są dobrze osadzone w zaciskach i śruby są mocno dokręcone, aby uniknąć luźnych połączeń.
- Schemat podłączenia: Zawsze warto odnieść się do schematu dołączonego do nowego unifonu lub do ogólnych schematów dostępnych online. To pomoże Ci wizualnie zweryfikować poprawność połączeń i upewnić się, że wszystko jest na swoim miejscu.

Ustawianie adresu mieszkania: Jak działają zworki w unifonie?
Co to są zworki i jak działają w systemie cyfrowym?
W systemach cyfrowych, takich jak Cyfral czy Laskomex, adres Twojego mieszkania nie jest przypisany do konkretnych przewodów, ale jest kodowany cyfrowo w samym unifonie. Odbywa się to za pomocą małych plastikowych elementów, zwanych zworkami (jumperami), które zakłada się na odpowiednie piny na płytce elektroniki unifonu. Adres jest zazwyczaj kodowany w systemie binarnym, co oznacza, że każda zworka reprezentuje określoną wartość (np. 1, 2, 4, 8, 16, 32 itd.). Suma wartości zworek założonych na piny daje numer Twojego mieszkania.
Odczytywanie tabeli kodowania: Jak zamienić numer mieszkania na ustawienie zworek?
Instrukcje producentów unifonów (np. Cyfral, Urmet) zawsze zawierają tabelę kodowania, która pokazuje, jak ustawić zworki dla poszczególnych numerów mieszkań. Zazwyczaj piny są opisane wartościami, a Ty musisz założyć zworki na te piny, których suma wartości odpowiada numerowi Twojego mieszkania. Na przykład, jeśli Twój unifon ma adres "10", a piny są opisane jako 1, 2, 4, 8, 16, to powinieneś założyć zworki na piny "8" i "2", ponieważ 8 + 2 = 10.
Praktyczny przykład: Ustawiamy adres dla mieszkania nr 35
Przyjmijmy, że numer Twojego mieszkania to 35. Na płytce unifonu masz piny oznaczone wartościami: 1, 2, 4, 8, 16, 32. Aby ustawić adres 35, musisz znaleźć takie połączenie wartości, które da tę sumę. W tym przypadku będzie to: 32 + 2 + 1 = 35. Zatem powinieneś założyć zworki na piny oznaczone jako 32, 2 i 1. Zawsze dokładnie sprawdź instrukcję dołączoną do Twojego konkretnego modelu unifonu, ponieważ oznaczenia i wartości pinów mogą się nieznacznie różnić między producentami.
Pierwsze uruchomienie i testy: Sprawdź, czy unifon działa poprawnie
Kontrola poprawności połączenia: Co i jak testować po montażu?
Po podłączeniu unifonu i ustawieniu zworek czas na pierwsze testy. Oto co powinieneś sprawdzić:
- Dzwonienie: Poproś sąsiada lub kogoś z domowników, aby zadzwonił do Ciebie z bramofonu. Sprawdź, czy unifon dzwoni.
- Słyszalność: Podczas rozmowy z bramofonem, upewnij się, że słyszysz rozmówcę wyraźnie i że on słyszy Ciebie.
Regulacja głośności: Dostosuj domofon do swoich potrzeb
Wiele nowoczesnych unifonów dwuprzewodowych posiada potencjometry do regulacji głośności dzwonka oraz głośności rozmowy. Dzięki nim możesz dostosować urządzenie do swoich preferencji oraz do specyficznych parametrów instalacji w budynku. Jeśli dźwięk jest zbyt cichy lub za głośny, spróbuj delikatnie wyregulować te parametry.
Symulacja rozmowy i otwierania drzwi: Pełny test funkcjonalności
Po wstępnych testach, przeprowadź pełny test funkcjonalności. Obejmuje to symulację normalnej rozmowy z osobą stojącą przy bramofonie oraz, co najważniejsze, sprawdzenie działania przycisku otwierania drzwi (elektrozaczepu). Upewnij się, że po naciśnięciu przycisku drzwi na dole zostają odblokowane. To kluczowy element, który potwierdza, że instalacja działa poprawnie.
Rozwiązywanie problemów: Najczęstsze usterki i jak je naprawić
Mój domofon milczy: Dlaczego unifon nie dzwoni i jak to naprawić?
Jeśli Twój unifon nie dzwoni po wywołaniu z bramofonu, najczęstsze przyczyny to:
- Błędnie ustawiony adres (zworki): To najczęstsza przyczyna w systemach cyfrowych. Sprawdź dokładnie tabelę kodowania i upewnij się, że zworki są założone poprawnie dla Twojego numeru mieszkania.
- Zamienione przewody L+ i L-: Jeśli polaryzacja jest odwrócona, unifon nie będzie działał. Sprawdź podłączenie przewodów i ewentualnie zamień je miejscami.
Nie słychać rozmówcy lub rozmówca mnie nie słyszy: Gdzie szukać przyczyny?
Problemy z jakością dźwięku lub brakiem komunikacji mogą wynikać z kilku źródeł:
- Luźne styki na złączach: Sprawdź, czy przewody są mocno dokręcone w zaciskach unifonu.
- Uszkodzony przewód: Rzadziej, ale możliwie, że przewód w ścianie lub w samej słuchawce jest uszkodzony.
- Ogólne zakłócenia w instalacji budynku: Czasem problem może leżeć po stronie całej instalacji w bloku, a nie tylko Twojego unifonu.
Przycisk otwierania drzwi nie reaguje: Sprawdzone metody na usunięcie usterki
Jeśli elektrozaczep nie działa, sprawdź następujące punkty:
- Złe podłączenie: Upewnij się, że wszystkie przewody są podłączone zgodnie ze schematem.
- Funkcja programowalna z poziomu centrali: W niektórych systemach funkcja otwierania drzwi może wymagać aktywacji lub konfiguracji na poziomie centrali domofonowej.
- Problem z samym unifonem: Niektóre modele (np. Urmet) mogą wymagać dodatkowej konfiguracji lub być niekompatybilne z funkcją otwierania drzwi w danym systemie.
Słyszę pisk lub szum w słuchawce: Jak wyeliminować zakłócenia?
Zakłócenia dźwięku, takie jak pisk czy szum, mogą być irytujące. Ich przyczyny to:
- Luźne styki: Ponownie, sprawdź wszystkie połączenia.
- Uszkodzony przewód: Przewód z uszkodzoną izolacją lub przerwaniem może generować zakłócenia.
- Ogólne zakłócenia w instalacji w całym budynku: Czasem to problem, który dotyka wszystkich mieszkańców i wymaga interwencji administratora.
Kiedy wezwać fachowca? Rozpoznaj sygnały, których nie możesz ignorować
Problem leży głębiej: Kiedy awaria dotyczy całej instalacji w budynku
Jeśli po wykonaniu wszystkich powyższych kroków i sprawdzeniu unifonu problem nadal występuje, a co więcej, zauważasz, że domofon nie działa również u Twoich sąsiadów, to jest to sygnał, że awaria najprawdopodobniej dotyczy całej instalacji w budynku. W takiej sytuacji Twoja interwencja niewiele pomoże. Najlepszym rozwiązaniem jest zgłoszenie problemu do administratora budynku lub spółdzielni, która powinna wezwać wykwalifikowanego specjalistę do naprawy systemu centralnego.
Przeczytaj również: Wymiana domofonu w bloku? Podłącz go sam! Analogowy czy cyfrowy?
Brak pewności i ryzyko uszkodzenia: Dlaczego pomoc specjalisty jest czasem najlepszą inwestycją
Nawet jeśli jesteś osobą, która lubi majsterkować, zawsze są sytuacje, w których warto rozważyć wezwanie fachowca. Jeśli brakuje Ci pewności co do swoich umiejętności, obawiasz się ryzyka uszkodzenia instalacji lub po prostu nie masz czasu na samodzielne rozwiązywanie problemów, pomoc wykwalifikowanego specjalisty jest najlepszą i najbezpieczniejszą inwestycją. Fachowiec szybko zdiagnozuje problem i profesjonalnie go usunie, zapewniając prawidłowe i bezpieczne działanie Twojego unifonu.
