Wymiana lub podłączenie nowego unifonu domofonowego może wydawać się skomplikowanym zadaniem, ale z odpowiednim przewodnikiem staje się to znacznie prostsze. Ten artykuł to praktyczny, krok po kroku, poradnik, który pomoże Ci samodzielnie podłączyć popularny unifon Laskomex LY-8. Dzięki niemu bez trudu zidentyfikujesz przewody, prawidłowo je podłączysz i uruchomisz swój domofon, unikając typowych błędów.
Podłączenie unifonu Laskomex LY-8 kompletna instrukcja dla każdego
- Unifon Laskomex LY-8 pasuje do analogowych systemów 4, 5 lub 6-żyłowych i jest popularnym zamiennikiem.
- Kluczowe jest prawidłowe zidentyfikowanie żył w ścianie, zwłaszcza linii MASY, najlepiej za pomocą miernika.
- Listwa zaciskowa unifonu ma 6 pinów (Słuchawka, Mikrofon, Wywołanie, Masa, Zaczep 1, Zaczep 2), które należy podłączyć zgodnie z ich funkcjami.
- W instalacjach 4-żyłowych często wymagane jest zmostkowanie zacisku 6 z zaciskiem 4 (MASA) dla poprawnego działania elektrozaczepu.
- Zworki konfiguracyjne (ZW) służą do regulacji głośności dzwonka i dopasowania do centrali, ale fabryczne ustawienia często są wystarczające.
- Typowe problemy, takie jak brak reakcji czy niedziałający elektrozaczep, są najczęściej wynikiem błędnego podłączenia MASY lub zacisków ZACZEP.
Do jakich instalacji pasuje model LY-8? Klucz do kompatybilności
Unifon Laskomex LY-8 to niezwykle uniwersalne urządzenie, zaprojektowane do pracy w analogowych systemach domofonowych. Jest kompatybilny z instalacjami 4, 5 lub 6-żyłowymi, co czyni go jednym z najczęściej wybieranych modeli na polskim rynku. Z mojego doświadczenia wynika, że jest to idealny zamiennik dla wielu starszych, uszkodzonych unifonów, ponieważ jego prosta konstrukcja i szeroka kompatybilność pozwalają na bezproblemową integrację z istniejącą infrastrukturą. Jeśli szukasz niezawodnego i łatwego w montażu urządzenia do swojego domofonu, LY-8 to z pewnością dobry wybór.
Niezbędnik instalatora: Przygotuj te narzędzia przed pracą
Zanim przystąpisz do pracy, upewnij się, że masz pod ręką wszystkie niezbędne narzędzia. Dzięki nim montaż przebiegnie sprawnie i bez niepotrzebnych frustracji. Oto lista, którą zawsze mam przy sobie:
- Śrubokręt krzyżakowy: Do otwierania obudowy unifonu i montażu na ścianie.
- Śrubokręt płaski: Niezbędny do dokręcania zacisków na listwie unifonu.
- Ściągacz izolacji lub ostry nożyk: Do precyzyjnego usunięcia izolacji z przewodów.
- Miernik uniwersalny (multimetr): Opcjonalny, ale bardzo zalecany, zwłaszcza gdy brakuje Ci schematu starej instalacji lub nie masz pewności co do funkcji poszczególnych żył. Umożliwi on dokładną identyfikację przewodów.

Budowa unifonu: Poznaj rozmieszczenie kluczowych elementów wewnątrz obudowy
Po otwarciu obudowy unifonu Laskomex LY-8, Twoim oczom ukaże się jego prosta, ale funkcjonalna konstrukcja. Centralnym punktem jest listwa zaciskowa, składająca się z sześciu pinów, do których podłączysz przewody z instalacji. Obok niej znajdziesz zworki konfiguracyjne (ZW), które służą do drobnych regulacji, o których opowiem szerzej później. W niektórych modelach lub podzespołach możesz również zauważyć mały potencjometr (PR), służący do regulacji wzmocnienia mikrofonu, co pozwala na dostosowanie jakości dźwięku do Twoich preferencji.

Identyfikacja przewodów: Jak rozpoznać żyły w instalacji domofonowej?
Prawidłowa identyfikacja przewodów to moim zdaniem najważniejszy etap całego procesu podłączania unifonu. Błąd na tym etapie może prowadzić do niedziałającego domofonu lub nawet uszkodzenia urządzenia. Nie martw się jednak, mam dla Ciebie sprawdzone metody.
Metoda na "stary unifon": Sprytne podejście przy wymianie aparatu
Jeśli wymieniasz stary unifon na nowy, masz ogromną przewagę! Najprostszym i najskuteczniejszym sposobem na identyfikację przewodów jest dokładne zanotowanie lub sfotografowanie, jak były podłączone w starym urządzeniu. Zrób kilka zdjęć z różnych kątów, zanim odłączysz jakiekolwiek przewody. Zwróć uwagę na kolory żył i numery zacisków. To Twoja "ściągawka", która zaoszczędzi Ci mnóstwo czasu i frustracji podczas podłączania nowego LY-8.
Gdy nie masz wzoru: Jak znaleźć MASĘ i resztę przewodów za pomocą miernika?
Jeśli nie masz starego unifonu jako wzoru, nie ma problemu. Miernik uniwersalny (multimetr) będzie Twoim najlepszym przyjacielem. Oto jak krok po kroku zidentyfikować żyły:
- Znajdź linię MASY: To kluczowy punkt wyjścia. Ustaw miernik na pomiar napięcia stałego (DCV, zakres do 20V). Jedną sondę miernika (najczęściej czarną) przyłóż do kaloryfera, rury wodociągowej lub innego uziemionego elementu metalowego. Drugą sondą (czerwoną) dotykaj kolejno wszystkich żył wystających ze ściany. Żyła, na której miernik wskaże stabilne napięcie (np. około 6-12V, w zależności od centrali) względem uziemienia, to najprawdopodobniej linia MASY. Zwykle jest to żyła czarna lub niebieska, ale nie ma reguły.
- Zidentyfikuj linię SŁUCHAWKI: Po znalezieniu MASY, podłącz do niej czarną sondę miernika. Czerwoną sondą dotykaj pozostałych żył. Poproś kogoś, aby zadzwonił do Ciebie z panelu zewnętrznego. Na linii SŁUCHAWKI powinieneś zaobserwować skoki napięcia lub charakterystyczny sygnał audio, gdy ktoś mówi do mikrofonu panelu.
- Zidentyfikuj linię WYWOŁANIA: Nadal mając czarną sondę podłączoną do MASY, dotykaj pozostałych żył czerwoną sondą. Gdy ktoś zadzwoni do Ciebie z panelu, na linii WYWOŁANIA miernik powinien pokazać krótkotrwały impuls napięcia lub zmianę stanu (np. z 0V na kilka V).
- Zidentyfikuj linie ZACZEPU: Po zidentyfikowaniu MASY, SŁUCHAWKI i WYWOŁANIA, zostaną Ci dwie lub jedna żyła (w zależności od instalacji). To będą linie odpowiedzialne za otwieranie elektrozaczepu. Aby je zidentyfikować, podłącz jedną sondę miernika do MASY. Drugą sondą dotknij jednej z pozostałych żył. Poproś kogoś, aby nacisnął przycisk otwierania drzwi w innym unifonie w budynku (jeśli to możliwe). Na linii ZACZEPU powinieneś zaobserwować zmianę napięcia lub zwarcie do masy w momencie naciśnięcia przycisku.
Oznaczanie to podstawa: Prosty sposób, by uniknąć pomyłki
Po zidentyfikowaniu każdej żyły, koniecznie ją oznacz! Możesz użyć kolorowej taśmy izolacyjnej, małych etykietek z opisem (np. "Masa", "Słuchawka") lub po prostu zapisać sobie na kartce, który kolor przewodu odpowiada danej funkcji. To prosta czynność, która pozwoli Ci uniknąć pomyłek i znacznie przyspieszy proces podłączania unifonu do listwy zaciskowej. Wierz mi, nic tak nie irytuje, jak konieczność ponownego identyfikowania przewodów, bo zapomniało się, który jest który.
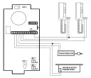
Podłączanie unifonu Laskomex LY-8: Schemat i instrukcja krok po kroku
Gdy już masz zidentyfikowane wszystkie przewody, przyszedł czas na właściwe podłączenie unifonu. Pamiętaj, aby pracować ostrożnie i precyzyjnie. Poniżej znajdziesz szczegółowy schemat i instrukcje dla różnych typów instalacji.
Rozszyfrowujemy listwę zaciskową: Za co odpowiadają poszczególne piny (1-6)?
Unifon Laskomex LY-8 posiada sześć zacisków na listwie, z których każdy pełni określoną funkcję. Zrozumienie ich przeznaczenia to podstawa prawidłowego podłączenia:
| Zacisk | Funkcja |
|---|---|
| 1 | Słuchawka (Głośnik): Linia odpowiedzialna za przesyłanie dźwięku do głośnika w słuchawce unifonu. |
| 2 | Mikrofon: Linia przesyłająca dźwięk z mikrofonu unifonu do centrali domofonowej. |
| 3 | Wywołanie (Dzwonek): Linia, przez którą unifon otrzymuje sygnał dzwonka z panelu zewnętrznego. |
| 4 | Masa: Wspólna linia masy (-), punkt odniesienia dla pozostałych sygnałów. Kluczowa dla działania całego systemu. |
| 5 | Zaczep 1: Pierwszy zacisk przycisku otwierania elektrozaczepu. |
| 6 | Zaczep 2: Drugi zacisk przycisku otwierania. W wielu instalacjach (zwłaszcza 4-żyłowych) należy go zmostkować z zaciskiem 4 (MASA). |
Instalacja 6-żyłowa: Standardowe i najprostsze podłączenie
Instalacja 6-żyłowa jest najprostsza do podłączenia, ponieważ każda funkcja ma swoją dedykowaną żyłę. Wystarczy przyporządkować zidentyfikowane przewody do odpowiednich zacisków:
- Podłącz zidentyfikowaną żyłę SŁUCHAWKI do zacisku nr 1.
- Podłącz zidentyfikowaną żyłę MIKROFONU do zacisku nr 2.
- Podłącz zidentyfikowaną żyłę WYWOŁANIA do zacisku nr 3.
- Podłącz zidentyfikowaną żyłę MASY do zacisku nr 4.
- Podłącz zidentyfikowaną żyłę ZACZEP 1 do zacisku nr 5.
- Podłącz zidentyfikowaną żyłę ZACZEP 2 do zacisku nr 6.
Upewnij się, że wszystkie połączenia są solidne i dobrze dokręcone, aby uniknąć problemów z łącznością.
Instalacja 4-żyłowa: Gdzie podłączyć mostek, aby wszystko działało?
Instalacje 4-żyłowe są bardzo powszechne, ale wymagają pewnego zabiegu, aby elektrozaczep działał prawidłowo. W takich systemach często zaciski MASA i SŁUCHAWKA są zmostkowane w centrali, a linia otwierania drzwi działa na zasadzie zwarcia do masy. Oto jak to zrobić:
- Podłącz zidentyfikowaną żyłę SŁUCHAWKI do zacisku nr 1.
- Podłącz zidentyfikowaną żyłę MIKROFONU do zacisku nr 2.
- Podłącz zidentyfikowaną żyłę WYWOŁANIA do zacisku nr 3.
- Podłącz zidentyfikowaną żyłę MASY do zacisku nr 4.
- Podłącz zidentyfikowaną żyłę ZACZEP (jedyną pozostałą) do zacisku nr 5.
- Kluczowy krok: Za pomocą krótkiego kawałka przewodu (mostka) połącz zacisk nr 6 (Zaczep 2) z zaciskiem nr 4 (MASA). Bez tego mostka przycisk otwierania drzwi prawdopodobnie nie będzie działał.
Mostkowanie zacisku 6 z 4 jest niezbędne, ponieważ przycisk otwierania w LY-8 zwiera te dwa zaciski, a w systemach 4-żyłowych często oczekuje się zwarcia linii zaczepu do masy, aby otworzyć drzwi.
Tajemnicze zworki ZW: Kiedy i jak należy zmienić ich fabryczne ustawienia?
Wewnątrz unifonu Laskomex LY-8 znajdziesz małe zworki konfiguracyjne, zazwyczaj oznaczone jako ZW1, ZW2, ZW3. Służą one do dostosowania unifonu do specyfiki Twojej instalacji lub preferencji użytkownika. Z mojego doświadczenia wynika, że w większości przypadków fabryczne ustawienia zworek są odpowiednie dla central domofonowych Laskomex i nie wymagają zmian. Jednak warto wiedzieć, do czego służą:
- Regulacja głośności dzwonka: Niektóre zworki mogą wpływać na poziom głośności sygnału wywołania. Jeśli dzwonek jest zbyt cichy lub zbyt głośny, możesz spróbować zmienić ich pozycję, aby dostosować głośność.
- Konfiguracja otwierania elektrozaczepu: Zworki mogą zmieniać sposób działania przycisku otwierania, np. w systemach, gdzie masa jest podawana na przycisk, lub w przypadku specyficznych central innych producentów (np. Urmet, Elfon).
- Dopasowanie do centrali: W rzadkich przypadkach, gdy unifon nie działa poprawnie z centralą innej marki, zworki mogą pomóc w dopasowaniu jego parametrów. Zawsze jednak najpierw sprawdź instrukcję centrali lub skonsultuj się z producentem.
Zawsze konsultuj się z instrukcją obsługi unifonu lub centrali, jeśli masz wątpliwości co do zmiany ustawień zworek. Niewłaściwa konfiguracja może prowadzić do nieprawidłowego działania domofonu.
Pierwsze uruchomienie i testowanie unifonu: Sprawdź poprawność montażu
Gratulacje! Unifon jest podłączony. Teraz nadszedł czas na najważniejszy etap testowanie. Pamiętaj, aby przeprowadzić wszystkie poniższe testy, aby upewnić się, że wszystko działa bez zarzutu:
- Test sygnału wywołania (dzwonka): Poproś kogoś, aby zadzwonił do Ciebie z panelu zewnętrznego. Unifon powinien zadzwonić wyraźnie i z odpowiednią głośnością. Jeśli nie dzwoni, sprawdź podłączenie żyły WYWOŁANIA (zacisk nr 3) oraz MASY (zacisk nr 4).
- Test rozmowy: Podnieś słuchawkę i poproś osobę przy panelu zewnętrznym, aby coś powiedziała. Powinieneś wyraźnie słyszeć rozmówcę. Następnie Ty mów do mikrofonu unifonu, a osoba na zewnątrz powinna Cię słyszeć. Jeśli dźwięk jest zniekształcony, zbyt cichy lub występują piski, sprawdź podłączenie żył SŁUCHAWKI (zacisk nr 1) i MIKROFONU (zacisk nr 2), a także MASY (zacisk nr 4).
- Test elektrozaczepu (otwieranie drzwi): Po zakończeniu rozmowy, naciśnij przycisk otwierania drzwi na unifonie. Powinien być słyszalny charakterystyczny dźwięk "brzęczenia" elektrozaczepu, a drzwi powinny się otworzyć. Jeśli elektrozaczep nie reaguje, sprawdź podłączenie żył ZACZEP (zaciski nr 5 i 6) oraz upewnij się, że mostek między zaciskami 6 i 4 jest prawidłowo wykonany w instalacjach 4-żyłowych.
Jeśli wszystkie testy przebiegły pomyślnie, możesz zamknąć obudowę unifonu i cieszyć się nowym, działającym domofonem!
Domofon nie działa? Najczęstsze problemy z LY-8 i skuteczne rozwiązania
Nawet przy najlepszych chęciach, czasami coś może pójść nie tak. Nie martw się, większość problemów z unifonem Laskomex LY-8 ma proste rozwiązania. Oto najczęstsze usterki i sposoby ich naprawy:
Głucha cisza w słuchawce: Dlaczego nic nie słychać i jak to naprawić?
Jeśli po podniesieniu słuchawki panuje głucha cisza, a rozmówca nie jest słyszalny, ani Ty nie jesteś słyszalny na zewnątrz, najczęstszą przyczyną jest błędne podłączenie żyły MASA (zacisk nr 4). Masa jest wspólnym punktem odniesienia dla wszystkich sygnałów, a jej brak lub złe połączenie uniemożliwia prawidłową komunikację. Sprawdź dokładnie, czy żyła MASY jest prawidłowo zidentyfikowana i solidnie dokręcona do zacisku nr 4. Upewnij się również, że żyły SŁUCHAWKI (nr 1) i MIKROFONU (nr 2) są podłączone poprawnie.
Piski i sprzężenia: Szybka diagnoza i regulacja potencjometrem
Piski, szumy lub efekt sprzężenia zwrotnego (tzw. efekt Larsena) w unifonie to zazwyczaj problem z regulacją wzmocnienia mikrofonu lub głośnika. W unifonie Laskomex LY-8 znajdziesz mały potencjometr (PR), który służy do regulacji wzmocnienia mikrofonu. Spróbuj delikatnie obrócić go małym śrubokrętem. Zbyt wysokie wzmocnienie mikrofonu może powodować sprzężenia, zwłaszcza gdy słuchawka jest blisko głośnika. Upewnij się również, że przewody mikrofonu i słuchawki nie są zwarte lub uszkodzone.
Przycisk otwierania nie reaguje: Sprawdź te 3 najczęstsze przyczyny
Niedziałający przycisk otwierania drzwi to jeden z najczęstszych problemów. Oto co należy sprawdzić:
- Złe podłączenie żył ZACZEP (zaciski nr 5 i 6): Upewnij się, że przewody odpowiedzialne za otwieranie elektrozaczepu są prawidłowo podłączone do zacisków 5 i 6.
- Brak mostka w instalacji 4-żyłowej: Jeśli masz instalację 4-żyłową, koniecznie sprawdź, czy wykonałeś mostek między zaciskiem nr 6 a zaciskiem nr 4 (MASA). Bez tego mostka przycisk nie zadziała.
- Nieprawidłowe ustawienie zworki konfiguracyjnej: W rzadkich przypadkach, zworki ZW mogą być ustawione w sposób, który blokuje działanie elektrozaczepu. Sprawdź instrukcję unifonu lub centrali, czy nie ma tam specjalnych wymagań dotyczących zworek dla funkcji otwierania drzwi.
Przeczytaj również: Podłącz domofon 4-przewodowy: Schematy, porady, rozwiązywanie problemów
Unifon dzwoni bez przerwy: Co może być źródłem problemu?
Jeśli unifon dzwoni bez przerwy lub dzwoni samoczynnie, zazwyczaj oznacza to, że linia WYWOŁANIA jest stale zwarta z MASĄ lub otrzymuje ciągły sygnał. Sprawdź następujące rzeczy:
- Zwarcie linii WYWOŁANIA: Upewnij się, że żyła podłączona do zacisku nr 3 (WYWOŁANIE) nie jest przypadkowo zwarta z żyłą MASY (zacisk nr 4) ani z żadnym innym metalowym elementem.
- Zablokowany przycisk wywołania w panelu zewnętrznym: Czasami przycisk dzwonka w panelu zewnętrznym może się zablokować w pozycji wciśniętej, co powoduje ciągłe wywołanie. Skontaktuj się z administratorem budynku lub sprawdź panel.
- Problem z centralą domofonową: W rzadkich przypadkach problem może leżeć po stronie centrali domofonowej, która wysyła ciągły sygnał wywołania. W takiej sytuacji konieczna będzie interwencja serwisanta.
