W dzisiejszych czasach oświetlenie LED stało się standardem w wielu domach, oferując energooszczędność i szerokie możliwości aranżacyjne. Ten praktyczny poradnik krok po kroku wyjaśni, jak bezpiecznie i prawidłowo podłączyć oświetlenie LED do włącznika światła, uwzględniając niezbędne elementy i wskazówki dotyczące rozwiązywania najczęstszych problemów.
Podłączenie LED do włącznika światła kompleksowy przewodnik po bezpiecznej instalacji
- Prawidłowe podłączenie LED do włącznika wymaga zastosowania zasilacza transformującego napięcie 230V na 12V lub 24V.
- Moc zasilacza powinna mieć zapas około 10-20% względem mocy taśmy LED, co wydłuża jego żywotność.
- Do sterowania LED można używać standardowych włączników (pojedynczych, podwójnych, schodowych), a także dedykowanych rozwiązań (dotykowych, bezdotykowych).
- Najczęstszym problemem jest migotanie lub żarzenie się LED po wyłączeniu, często spowodowane włącznikiem z podświetleniem, co można rozwiązać kondensatorem filtrującym.
- Wszelkie prace przy instalacji 230V muszą być wykonywane przy bezwzględnie wyłączonym zasilaniu, a w przypadku większych modyfikacji zaleca się wsparcie elektryka z uprawnieniami.
Dlaczego prawidłowe podłączenie LED do włącznika jest kluczowe?
Z mojego doświadczenia wiem, że prawidłowe podłączenie oświetlenia LED do włącznika światła to nie tylko kwestia estetyki, ale przede wszystkim bezpieczeństwa użytkowników i całej instalacji. Niewłaściwe połączenia mogą prowadzić do szeregu problemów, począwszy od niestabilnego działania oświetlenia, przez skrócenie żywotności diod i zasilacza, aż po poważne zagrożenia elektryczne, takie jak zwarcia, przegrzewanie się przewodów czy nawet pożar. Stabilne i bezproblemowe działanie LEDów to komfort, który osiągamy tylko dzięki starannemu i zgodnemu ze sztuką podłączeniu.
Od estetyki po bezpieczeństwo: co musisz wiedzieć, zanim zaczniesz?
Zanim w ogóle pomyślisz o chwyceniu za narzędzia, musisz przyswoić sobie jedną, najważniejszą zasadę: bezpieczeństwo jest absolutnym priorytetem. Praca z instalacją elektryczną 230V wymaga szczególnej ostrożności. Zawsze powtarzam moim klientom, że lepiej poświęcić kilka dodatkowych minut na przygotowania niż ryzykować zdrowie lub życie. Pamiętaj, że w Polsce instalacje elektryczne muszą być zgodne z obowiązującymi normami i przepisami Prawa Budowlanego.
- Bezwzględnie wyłącz zasilanie: Zawsze, ale to zawsze, przed przystąpieniem do jakichkolwiek prac przy instalacji elektrycznej, wyłącz zasilanie w obwodzie, przy którym będziesz pracować. Najlepiej wyłączyć główny wyłącznik różnicowoprądowy lub odpowiednie bezpieczniki w rozdzielnicy.
- Sprawdź brak napięcia: Po wyłączeniu zasilania, upewnij się, że w przewodach nie ma napięcia, używając próbnika napięcia. To krok, którego nigdy nie wolno pomijać.
- Zgodność z normami: Upewnij się, że wszystkie używane komponenty (zasilacz, przewody, złączki) posiadają odpowiednie certyfikaty i są przeznaczone do pracy w określonych warunkach.
- Uprawnienia SEP: Chociaż drobne prace, takie jak wymiana włącznika czy podłączenie zasilacza, są często wykonywane samodzielnie, wszelkie poważniejsze modyfikacje instalacji elektrycznej powinny być przeprowadzane przez osoby z odpowiednimi uprawnieniami (np. SEP). Jeśli nie czujesz się pewnie, zawsze wezwij elektryka.
Zrozumienie obwodu: rola zasilacza w instalacji LED
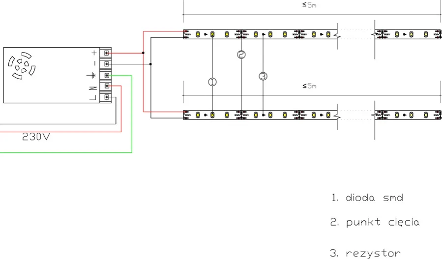
Klucz do prawidłowego podłączenia oświetlenia LED do włącznika leży w zrozumieniu podstawowego schematu obwodu. W przeciwieństwie do tradycyjnych żarówek, taśmy LED czy inne źródła światła LED zazwyczaj wymagają niskiego napięcia stałego, najczęściej 12V lub 24V. Tymczasem w naszych domach mamy do czynienia z napięciem zmiennym 230V. I tu właśnie wkracza zasilacz LED.
Podstawowy schemat połączenia wygląda następująco: napięcie z sieci 230V -> włącznik ścienny -> zasilacz LED -> taśma LED (lub inne źródło światła LED 12V/24V). Zasilacz jest więc niezbędnym elementem, pełniącym rolę transformatora. Jego zadaniem jest bezpieczne i efektywne przekształcenie wysokiego napięcia sieciowego (230V AC) na niskie, stabilne napięcie stałe (12V lub 24V DC), które jest bezpieczne i odpowiednie dla diod LED. Bez niego diody uległyby natychmiastowemu uszkodzeniu. To serce całej instalacji LED.

Niezbędne komponenty i narzędzia do podłączenia LED
Aby sprawnie i bezpiecznie przeprowadzić instalację oświetlenia LED, potrzebujemy nie tylko odpowiedniej wiedzy, ale także właściwych komponentów i narzędzi. Przygotowanie ich z wyprzedzeniem pozwoli uniknąć frustracji i przerw w pracy. Oto co będzie nam potrzebne:
Jak dobrać zasilacz do taśmy LED? Prosta matematyka, której musisz się nauczyć
Dobór odpowiedniego zasilacza to jeden z najważniejszych etapów. Zbyt słaby zasilacz będzie pracował pod maksymalnym obciążeniem, co skróci jego żywotność i może prowadzić do przegrzewania. Zbyt mocny zasilacz nie zaszkodzi, ale będzie niepotrzebnym wydatkiem. Zawsze zalecam pozostawienie zapasu mocy około 10-20%. Jak to obliczyć? To proste! Najpierw sprawdź moc taśmy LED na metr bieżący (np. 4,8 W/m). Następnie pomnóż tę wartość przez długość taśmy, którą chcesz podłączyć. Na koniec dodaj wspomniany zapas mocy.
Przykład obliczeniowy:
Masz taśmę LED o mocy 9,6 W/m i chcesz podłączyć 5 metrów.
- Całkowita moc taśmy: 9,6 W/m * 5 m = 48 W
- Zapas mocy (np. 15%): 48 W * 0,15 = 7,2 W
- Minimalna moc zasilacza: 48 W + 7,2 W = 55,2 W
W tym przypadku powinieneś wybrać zasilacz o mocy co najmniej 60 W (najbliższa dostępna moc z zapasem).
Przewody, złączki, puszka: przegląd potrzebnych akcesoriów
- Przewody: Do podłączenia zasilacza do instalacji 230V potrzebne będą standardowe przewody dwużyłowe (L i N) lub trzyżyłowe (L, N, PE) o odpowiednim przekroju (np. 1,5 mm²). Do podłączenia taśmy LED do zasilacza wystarczą cieńsze przewody (np. 0,5-0,75 mm²), pamiętając o polaryzacji (+/-).
- Złączki: Do łączenia przewodów w puszce instalacyjnej idealnie sprawdzą się szybkozłączki (np. typu Wago) lub tradycyjne kostki elektryczne. Zapewniają one pewne i bezpieczne połączenie.
- Puszka instalacyjna: Jeśli zasilacz jest niewielkich rozmiarów i chcesz go ukryć, puszka instalacyjna (np. podtynkowa lub natynkowa) będzie dobrym rozwiązaniem. Pamiętaj jednak o zapewnieniu odpowiedniej wentylacji dla zasilacza.
- Taśma izolacyjna lub koszulki termokurczliwe: Do zabezpieczania połączeń, jeśli używasz tradycyjnych kostek lub lutujesz przewody.
- Profile aluminiowe: Jeśli montujesz taśmę LED, warto rozważyć profile aluminiowe. Nie tylko estetycznie wyglądają, ale także odprowadzają ciepło z diod, co przedłuża ich żywotność.
Wkrętak z próbnikiem, ściągacz izolacji: narzędzia, bez których ani rusz
- Wkrętak z próbnikiem napięcia: Absolutna podstawa! Niezbędny do sprawdzenia, czy w przewodach nie ma napięcia i do identyfikacji fazy.
- Zestaw wkrętaków (płaskie i krzyżakowe): Do montażu włącznika, podłączania przewodów do zasilacza i innych elementów.
- Ściągacz izolacji: Ułatwia precyzyjne i bezpieczne usunięcie izolacji z przewodów, minimalizując ryzyko uszkodzenia żył.
- Szczypce (np. uniwersalne, tnące): Do przycinania przewodów i innych drobnych prac.
- Miernik uniwersalny (multimetr): Bardzo przydatny do sprawdzenia ciągłości obwodu, napięcia i prądu, zwłaszcza przy rozwiązywaniu problemów.
- Nóż monterski: Do precyzyjnego cięcia izolacji, jeśli nie masz ściągacza.
Podłączenie LED do włącznika pojedynczego: instrukcja krok po kroku
Przejdźmy teraz do sedna, czyli do praktycznego podłączenia. Pamiętaj, że każdy krok jest ważny, a pośpiech jest złym doradcą. Skup się na precyzji i bezpieczeństwie.
Krok 1: Bezpieczeństwo przede wszystkim! Jak prawidłowo wyłączyć zasilanie?
- Zlokalizuj rozdzielnicę: Znajdź główną skrzynkę z bezpiecznikami w swoim domu.
- Wyłącz bezpiecznik obwodu: Zidentyfikuj bezpiecznik odpowiedzialny za obwód, w którym będziesz pracować (np. oświetlenie w danym pomieszczeniu). Jeśli nie jesteś pewien, wyłącz główny wyłącznik różnicowoprądowy lub wszystkie bezpieczniki, aby mieć pewność, że cała instalacja jest bez napięcia.
- Sprawdź brak napięcia: Po wyłączeniu bezpiecznika, użyj próbnika napięcia, aby upewnić się, że w przewodach w puszce instalacyjnej (lub tam, gdzie będziesz pracować) nie ma napięcia. Dotknij końcówką próbnika do każdego przewodu. Lampka próbnika nie powinna się świecić. To absolutnie kluczowy krok!
Krok 2: Identyfikacja przewodów w puszce (L, N, PE): co oznaczają kolory?
W puszce instalacyjnej zazwyczaj znajdziesz kilka przewodów. Ich prawidłowa identyfikacja jest niezbędna. Standardowe kolory przewodów w instalacji elektrycznej w Polsce to:
- L (faza): Przewód fazowy, pod napięciem (zazwyczaj brązowy, czarny lub szary). To ten, który "świeci" próbnikiem.
- N (neutralny): Przewód neutralny (zawsze niebieski). Nie ma na nim napięcia.
- PE (ochronny): Przewód ochronny (zawsze żółto-zielony). Służy do ochrony przed porażeniem.
Za pomocą próbnika napięcia zidentyfikuj przewód fazowy (L). Pozostałe to neutralny (N) i ewentualnie ochronny (PE).
Krok 3: Montaż zasilacza: gdzie go umieścić i jak podłączyć do instalacji 230V?
Miejsce montażu zasilacza jest ważne. Powinien być on umieszczony w miejscu suchym, z zapewnioną odpowiednią wentylacją, aby uniknąć przegrzewania. Popularne miejsca to: w puszce instalacyjnej (jeśli zasilacz jest mały), za meblami, w suficie podwieszanym, a nawet w specjalnych profilach aluminiowych do LED. Upewnij się, że masz łatwy dostęp do zasilacza w razie potrzeby serwisowania. Następnie podłącz wejście 230V zasilacza do instalacji elektrycznej. Przewód fazowy (L) z instalacji podłącz do zacisku "L" na zasilaczu, a przewód neutralny (N) do zacisku "N". Jeśli zasilacz posiada zacisk PE, podłącz do niego przewód ochronny (żółto-zielony).
Krok 4: Podłączenie przewodów do włącznika i zasilacza: schemat, z którym sobie poradzisz
- Podłącz przewód fazowy do włącznika: Zidentyfikowany przewód fazowy (L) z instalacji 230V podłącz do jednego z zacisków wejściowych włącznika światła (zazwyczaj oznaczonego jako "L" lub "wejście").
- Podłącz wyjście włącznika do zasilacza: Z drugiego zacisku włącznika (tzw. wyjście, które podaje fazę po włączeniu) poprowadź przewód do zacisku "L" na wejściu 230V zasilacza LED. To ten przewód będzie sterował zasilaniem zasilacza.
- Podłącz przewód neutralny do zasilacza: Przewód neutralny (N) z instalacji 230V podłącz bezpośrednio do zacisku "N" na wejściu 230V zasilacza LED. Pamiętaj, że przewód neutralny nie przechodzi przez włącznik.
Krok 5: Podłączenie taśmy LED do wyjścia zasilacza i test instalacji
- Podłącz taśmę LED do zasilacza: Zasilacz posiada wyjścia niskonapięciowe (np. 12V lub 24V DC), zazwyczaj oznaczone jako "+" i "-". Podłącz odpowiednie przewody z taśmy LED do tych zacisków, zachowując prawidłową polaryzację (+ do +, - do -). Odwrotne podłączenie może spowodować, że taśma nie będzie świecić lub ulegnie uszkodzeniu.
- Zabezpiecz połączenia: Upewnij się, że wszystkie połączenia są solidne i dobrze zaizolowane. Sprawdź, czy żadne luźne przewody nie mogą się dotknąć.
- Włącz zasilanie i przetestuj: Po upewnieniu się, że wszystko jest prawidłowo podłączone i zabezpieczone, włącz bezpiecznik w rozdzielnicy. Następnie przetestuj działanie włącznika i oświetlenia LED. Jeśli wszystko działa poprawnie, gratuluję!
Rozszerzamy możliwości: podłączanie LED do włącznika podwójnego i schodowego
Standardowy włącznik pojedynczy to tylko początek. Oświetlenie LED można z powodzeniem integrować z bardziej złożonymi systemami sterowania, takimi jak włączniki podwójne czy schodowe. To pozwala na większą elastyczność i komfort użytkowania.
Włącznik podwójny: niezależne sterowanie LED i oświetleniem głównym schemat i porady
Włącznik podwójny, często nazywany świecznikowym, pozwala na niezależne sterowanie dwoma obwodami oświetleniowymi z jednego miejsca. Jest to idealne rozwiązanie, jeśli chcesz na przykład sterować lampą sufitową jednym klawiszem, a taśmą LED drugim. Schemat jest podobny do włącznika pojedynczego, ale z podwójnym wyjściem fazy. Do włącznika doprowadzamy jeden przewód fazowy (L). Następnie z każdego z dwóch klawiszy wychodzi osobny przewód fazowy. Jeden z nich podłączasz do zasilacza LED (sterując nim), a drugi do tradycyjnej lampy sufitowej. Przewód neutralny (N) jest doprowadzony bezpośrednio do zasilacza LED i do lampy sufitowej. Pamiętaj, aby wyraźnie oznaczyć, który klawisz steruje którym obwodem.
Instalacja schodowa: sterowanie oświetleniem LED z dwóch miejsc jak to zrobić poprawnie?
Instalacja schodowa umożliwia włączanie i wyłączanie oświetlenia z dwóch różnych miejsc, co jest niezwykle praktyczne w korytarzach, na klatkach schodowych czy w długich pomieszczeniach. Do jej realizacji potrzebne są dwa włączniki schodowe oraz odpowiednie poprowadzenie przewodów korespondencyjnych między nimi. Schemat jest bardziej złożony niż dla włącznika pojedynczego, ponieważ wymaga połączenia trzech przewodów między włącznikami (faza wejściowa i dwa korespondencyjne). Jeden z włączników schodowych będzie podawał fazę na zasilacz LED, a drugi będzie ją przełączał. Jeśli nie masz doświadczenia z tego typu instalacjami, zdecydowanie polecam skonsultować się z elektrykiem. Prawidłowe podłączenie jest tu kluczowe dla bezpieczeństwa i funkcjonalności.
Najczęstsze problemy i proste rozwiązania
Nawet przy najlepszych chęciach i starannym montażu, czasem pojawiają się problemy. Na szczęście, wiele z nich ma proste rozwiązania. Jako Łukasz Wójcik, widziałem już chyba wszystko, więc postaram się podpowiedzieć, jak sobie z nimi radzić.
Problem: LEDy migoczą lub delikatnie świecą po wyłączeniu. Dlaczego tak się dzieje?
To jeden z najczęstszych problemów, z którym spotykają się moi klienci. Po wyłączeniu światła LEDy nie gasną całkowicie, lecz delikatnie się żarzą lub migoczą. Istnieją dwie główne przyczyny tego zjawiska:
- Włącznik z podświetleniem: To najczęstszy winowajca. Włączniki z podświetleniem (np. małą diodą LED lub neonówką) wymagają niewielkiego prądu do działania. Ten minimalny prąd, choć niewystarczający do pełnego zaświecenia tradycyjnej żarówki, jest wystarczający, aby wzbudzić zasilacz LED i spowodować delikatne żarzenie lub migotanie diod.
- Indukcja elektromagnetyczna: W przypadku, gdy przewody zasilające LED biegną równolegle do innych przewodów pod napięciem na długich odcinkach, może dochodzić do indukowania się niewielkiego napięcia. To indukowane napięcie również może być wystarczające do wzbudzenia zasilacza i spowodowania żarzenia się diod.
Rozwiązanie: wina włącznika z podświetleniem i jak sobie z tym poradzić (kondensator filtrujący)
Jeśli Twoje LEDy migoczą lub żarzą się po wyłączeniu, najprawdopodobniej problem leży we włączniku z podświetleniem. Oto co możesz zrobić:
- Wymiana włącznika: Najprostszym i najskuteczniejszym rozwiązaniem jest wymiana włącznika na model bez podświetlenia. To całkowicie eliminuje przepływ prądu szczątkowego.
- Zastosowanie kondensatora filtrującego: Jeśli zależy Ci na włączniku z podświetleniem lub wymiana jest niemożliwa, możesz zastosować specjalny kondensator filtrujący (np. typu RC lub kondensator przeciwzakłóceniowy). Podłącza się go równolegle do taśmy LED (lub na wyjściu zasilacza), aby "pochłonął" ten niewielki prąd szczątkowy. Upewnij się, że kondensator jest przeznaczony do tego celu i ma odpowiednie parametry.
- Zmiana okablowania: W przypadku indukcji elektromagnetycznej, jeśli to możliwe, spróbuj rozdzielić przewody zasilające LED od innych przewodów lub użyć ekranowanych kabli. Jest to jednak bardziej skomplikowane rozwiązanie.
Problem: Brak reakcji na włącznik diagnoza krok po kroku
Jeśli oświetlenie LED w ogóle nie reaguje na włącznik, musimy przeprowadzić systematyczną diagnostykę. Oto kroki, które zazwyczaj wykonuję:
- Sprawdź zasilanie: Upewnij się, że w obwodzie jest zasilanie. Sprawdź bezpieczniki w rozdzielnicy. Użyj próbnika napięcia, aby sprawdzić, czy faza dochodzi do włącznika.
- Sprawdź włącznik: Upewnij się, że włącznik jest sprawny. Możesz to zrobić, sprawdzając ciągłość obwodu miernikiem, gdy włącznik jest w pozycji "włączony".
- Sprawdź połączenia przewodów: Dokładnie sprawdź wszystkie połączenia przewodów w puszce, przy włączniku, przy zasilaczu. Luźne lub źle zaizolowane połączenia to częsta przyczyna problemów.
- Sprawdź zasilacz: Użyj miernika, aby sprawdzić, czy na wyjściu zasilacza (12V/24V) pojawia się napięcie po włączeniu włącznika. Jeśli nie, zasilacz może być uszkodzony.
- Sprawdź taśmę LED: Jeśli zasilacz podaje napięcie, a taśma nadal nie świeci, możliwe, że sama taśma LED jest uszkodzona. Możesz to sprawdzić, podłączając ją do innego, sprawnego źródła zasilania (np. baterii 12V, jeśli taśma jest 12V).
Nowoczesne sterowanie oświetleniem LED: alternatywy dla klasycznego włącznika
Świat oświetlenia LED rozwija się w zawrotnym tempie, oferując coraz to nowsze i bardziej intuicyjne metody sterowania. Klasyczny włącznik to podstawa, ale warto poznać alternatywy, które mogą podnieść komfort użytkowania i dodać wnętrzu nowoczesnego charakteru.
Włączniki dotykowe i bezdotykowe: komfort i nowoczesny design
Włączniki dotykowe to eleganckie panele, które reagują na delikatne muśnięcie palcem. Są nie tylko estetyczne, ale często oferują dodatkowe funkcje, takie jak ściemnianie. Jeszcze bardziej futurystyczne są włączniki bezdotykowe, które aktywują oświetlenie ruchem ręki lub zbliżeniem obiektu. Idealnie sprawdzają się w kuchniach czy łazienkach, gdzie higiena jest priorytetem, a także tam, gdzie chcemy osiągnąć efekt "niewidzialnego" sterowania. Wymagają one jednak odpowiedniego zasilania i często są dedykowane do konkretnych systemów LED.
Przeczytaj również: Jak podłączyć podwójny włącznik światła (3 kable)? Bezpieczny schemat
Sterowniki montowane w profilu: dyskretne i funkcjonalne rozwiązanie
Dla tych, którzy cenią sobie minimalizm i dyskrecję, doskonałym rozwiązaniem są sterowniki montowane bezpośrednio w profilach aluminiowych, w których umieszczona jest taśma LED. Mogą to być miniaturowe włączniki dotykowe, czujniki ruchu, a nawet sensory zbliżeniowe, które reagują na otwarcie szafki czy szuflady. Dzięki temu sterowanie oświetleniem jest niemal niewidoczne i doskonale zintegrowane z meblami czy architekturą wnętrza. To rozwiązanie, które często polecam do oświetlenia meblowego czy wnęk.
