Unifon dwuprzewodowy: Podłącz sam w bloku! Adres, zworki, schemat
29 sierpnia 2025
Podłącz unifon dwuprzewodowy w bloku krok po kroku! Naucz się identyfikować przewody, ustawiać zworki i rozwiązywać problemy. Sprawdź nasz poradnik DIY.
Unifon dwuprzewodowy: Podłącz sam w bloku! Adres, zworki, schemat
29 sierpnia 2025
Podłącz unifon dwuprzewodowy w bloku krok po kroku! Naucz się identyfikować przewody, ustawiać zworki i rozwiązywać problemy. Sprawdź nasz poradnik DIY.
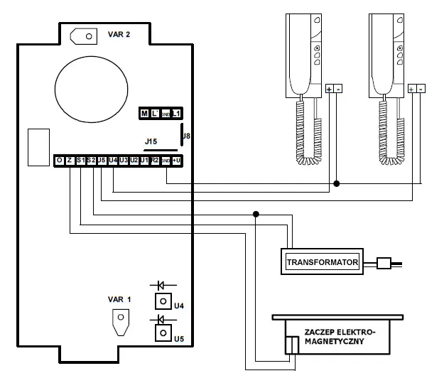
Podłącz domofon 2-żyłowy: Poradnik DIY krok po kroku. Czy dasz radę?
Podłącz domofon 2-żyłowy samodzielnie! Krok po kroku naucz się identyfikacji przewodów, programowania i rozwiązywania problemów. Sprawdź, jak to zrobić!
Kabel do domofonu i elektrozaczepu: Uniknij błędów, wybierz mądrze
Wybierz idealny kabel do domofonu i elektrozaczepu. Poznaj YTDY, UTP, parametry żył i uniknij 3 błędów instalacji. Sprawdź, co radzi ekspert!
Samodzielny montaż domofonu: Rozszyfruj kable i uniknij błędów
Chcesz samodzielnie zamontować domofon? Poznaj praktyczny poradnik krok po kroku: od wyboru systemu, przez podłączenie kabli, po rozwiązywanie problemów. Sprawdź, jak to zrobić bezpiecznie!
Jaki domofon do domu jednorodzinnego? Poradnik eksperta, wybierz mądrze!
Wybierz idealny domofon do domu jednorodzinnego! Poznaj typy (IP, przewodowe), kluczowe funkcje (kamera, smartfon) i porady eksperta. Sprawdź nasz poradnik!
Jak podłączyć Laskomex LY-8? Kompletna instrukcja krok po kroku
Podłącz unifon Laskomex LY-8 krok po kroku! Nasz przewodnik pokaże Ci, jak zidentyfikować przewody, podłączyć zaciski i rozwiązać typowe problemy. Sprawdź!
Ile kosztuje alarm w domu? Pełny przewodnik po kosztach montażu.
Dowiedz się, ile kosztuje montaż alarmu w domu! Poznaj czynniki wpływające na cenę, porównaj systemy przewodowe i bezprzewodowe oraz sprawdź przykładowe wyceny.
Alarm w domu: Czy warto? Ile kosztuje spokój i bezpieczeństwo?
Alarm w domu: czy warto? Sprawdź kompleksową analizę kosztów, zalet i wad. Dowiedz się, jak wybrać system i zyskać spokój. Czytaj nasz poradnik!
Ile prądu zużywa alarm domowy? Realne koszty i oszczędności
Ile prądu zużywa alarm domowy? Sprawdź realne roczne koszty (160-350 zł) i dowiedz się, jak zoptymalizować zużycie energii przez system bezpieczeństwa.